Services on Demand
Journal
Article
Indicators
Related links
-
Cited by Google -
Similars in Google
Share
R&D Journal
On-line version ISSN 2309-8988Print version ISSN 0257-9669
R&D j. (Matieland, Online) vol.9 Stellenbosch, Cape Town 1993
Transient response of a closed loop thermosyphon
R. T. Dobson
Lecturer, (Member) Department of Mechanical Engineering, University of Stellenbosch
ABSTRACT
The transient response of a closed loop thermosyphon is considered. This loop was used to transfer heat from a heat source to a thermally coupled yet physically separated storage tank positioned above the heat source. A one-dimensional mathematical formulation of the equations of change has been derived. An explicit numerical solution technique was used to solve these equations and these theoretical results compared with experimentally determined results. Measured final tank temperatures differed by some 3 per cent from the numerical solution values. The numerical solution technique was then used to simulate a number of transients and these results have been presented.
Nomenclature
A cross-sectional area
c specific heat
Cp specific heat at constant pressure
cv specific heat at constant volume
d total derivative sign
D diameter
Deq hydraulic diameter, Deq = 4A/P
f Fanning friction factor
g acceleration due to gravity
h heat transfer coefficient
h enthalpy
k thermal coductivity
L length
Leq equivalent flow resistance length
m mass
ṁ mass flow rate
ρ pressure
Ρ perimeter
R flow resistance
Re Reynolds number
s spatial coordinate in axial direction of loop
Ṡ power input
t time
Τ temperature
Ta ambient temperature
Tw wall temperature
u internal energy
ν velocity
V volume
volumetric flow rate.
Greek symbols
βcoefficient of cubical expansion
δsmall finite difference
δpartial derivative
ρdensity
θangle between s and horizontal
μ dynamic viscosity
Subscripts
r reference
i inlet
e exit
k k'th element
Introduction
A closed loop thermosyphon is a reliable method of transferring thermal energy from a heat source to a heat sink positioned at a higher level. Thermally induced density gradients in the loop result in a natural circulation so that a pump is not required. Such thermosyphon loops find applications in nuclear reactor core cooling, solar water heating and process industry reboilers.
Many geometric configurations of closed loop thermosyphons have been studied. Some of the shapes considered have been circular toriodal [1], arbitary toroidal [2], conjugate [3], double thermosyphon [4], multi-channel [5] and rectangular [6,7]. Vijajan et al [8], in their study of the steady state performance of natural circulation loops, give a number of useful references. Grief [9] gives a comprehensive review of natural circulation loops.
The loop considered in this study could be termed a rectangular loop and as such is similar to the loops studied by Huang and Zelaya [6] and Halliman and Viskanta [7]. The main difference however being that this loop, although rectangular in shape, is thermally coupled to a storage tank. The practical motivation for studying a loop of this geometry came in part from two hot water heating applications. Firstly, an interest in the heating response of a single centrally-orientated tube in a tank type natural circulation indirect solar water heated storage tank. Secondly, an interest in the use of a conventional coal-fired stove incorporating a hot water storage tank option.
The objective of this paper is to present a theoretical model whereby a loop can be studied under transient operational conditions, to verify experimentally that the numerically solved mathematical equations of the model adequately explain the transient behaviour, and to simulate a number of transient loop operating situations.
Mathematical modelling
A loop may be considered to be made up of a series of sections differing in length, diameter and perimeter as shown in figure 1. Each cross-sectional area of a section may differ but must remain constant along the length of the section. The sections will be considered to be one-dimensional, i.e. only one spatial variable, s, is considered with sense as shown in figure 1. Mixed-mean fluid flow properties will thus be used.

Equation of state:
The fluid will be considered as a single-phase liquid. The liquid will further be considered to be incompressible, with a Newtonian shear stress-shear rate behaviour, and with constant properties.
Although the liquid is considered to be incompressible the thermally induced temperature gradient necessary to cause the flow is obtained by applying the Boussinesq approximation. This approximation is made by assuming that the density is constant except in the body force term of the momentum equation, where it is given as function of temperature as:

Where βτis the coefficient of cubical expansion evaluated at some reference temperature Tr and density pr
Continuity:
Although the mass flow rate round the loop may vary with respect to time, at any instance in time, it will be constant for any spatial position, s, around the loop; so dṁ/ds = 0, and since the fluid has been assumed to be incompressible,
respect to s for each k'th section of the loop.
Motion:
A momentum balance for a section of the loop as shown in figure 2 for example may be written as:


If the loop as a whole is considered as a control volume the first two terms on the right hand side of equation (3) are both equal to zero, i.e. the inlet condition equals the outlet condition, and equation 3 may be written for the Ν sections of the loop as:

For a loop made up of different lengths of circular cross-sectional pipe,

and the "frictional" term F is given by

Energy:
Neglecting axial conduction, viscous dissipation, kinetic energy and potential energy an energy balance for a section of the loop as given in figure 3 may be written as:


or in terms of temperatures as:

and because cv = cp and are functions of temperature only for an incompressible fluid;

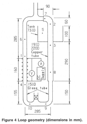
Experimental Loop
The experimental loop was made up of 15 mm I.D. glass tube and 19 mm I.D. copper tube as shown in figure 4. The various connections between the tubes and fittings were made by using short pieces of clear reinforced hose-pipe. A draincock was used to facilitate filling and draining. A standpipe was fitted to the loop at the highest point to allow for relative expansion as well as to allow entrapped air, liberated during heating, to escape from the loop.

Temperature measurements were made using copper-constantan thermocouples at various positions around the loop as shown in figure 4. All the thermocouples were made up from the same roll of thermocouple wire. An idea of the relative accuracy between the thermocouple readings was obtained by noting the temperatures whilst all thermocouples were in the loop water. Immediately after filling and flushing the loop with water the temperatures were read, and, for instance, for an average temperature of 22,4°C for the 10 thermocouples a standard deviation of 0,10°C was calculated. Standard thermocouple tables were used to convert the voltage readings to temperatures. The limit of uncertainty for temperatures measured in this manner according to Beckwith and Marangoni [10] is 0,6°C, however, the temperature differences should be to within a standard deviation of 0,1 °C.
Velocity measurements were made by introducing a dye into the liquid and then noting the time taken for the peak of the dye-front to move a known distance along the tube. The average fluid velocity would then be given, for laminar flow, as 0.5 times the peak velocity. The accuracy of the velocity measurements taken in this manner were estimated as being within 10% of the true average velocity.
The loop was insulated using 20 mm thick glass-fibre insulation.
Heating was by means of an evenly spaced resistance wire wrapped round the glass tube. Although the loop was insulated (except for a short portion along the lower horizontal portion where the velocity measurements were taken) the heat rate into the fluid from the resistance wire was estimated as only 70% of the power input indicated by the DC voltmeter and ammeter.
The heat capacity of the wall is significant. For instance the heat capacity of the glass and copper lengths of the wall add up to 458J/°C which is 29,4% of the heat capacity of the water in the pipe. The heat capacity of the wall was not taken into account in the mathematical model. Taking heat capacity of the wall into account would have resulted in an additional partial differential to take the thermal capacity of the wall into account. The heat capacity of the wall was, however indirectly taken into account by assuming that only 70% of the supplied power actually entered the water. This value of 70% was obtained by conducting an energy balance to the fluid at the end of each experimental run. It was found that on average 69-71% of the energy supplied by the electrical heating element was in the water.
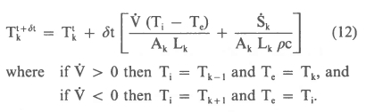
Numerical solution
The loop as depicted in figure 4 was divided (arbitrarilly) into 88 discrete cells each of length 20 mm as shown in figure 5. An explicit numerical method of solution was used with upwind differencing for the convection terms in the energy equation.

A new temperature was calculated for each cell using the values of the old time,


and used to calculate the new bouyancy term which in turn was used to calculate the new loop volumetric flow rate,

Note that the numerical solution of this equation must recognise that the friction term always acts against the direction of flow.
It was found that the numerical solution technique was stable provided that the maximum velocity multiplied by the time step was less than the cell length. In generating the numerical results the time step used varied from 2 s for 10W input power to 0,625 s for 100 W input power. It was found that halving the time step typically did not change the numerical results by more than 0,00047% after 600 seconds. The effect of cell lengths was not investigated.
Results
The loop and tank were filled with water at an initial temperature of 22°C which also corresponded to the ambient temperature. Constant fluid properties were taken as ρ = 998kg/m3, k = 0,632W/mK, μ= 0,000651 kg/ms, c = 4179J/kgK and βτ = 0,0002k-1. The equivalent length of the glass-tube section of the loop was determined as 1,77 m and that of the copper-tube section as 0,63 m.
The overall heat transfer coefficients between the water in the loop and the ambient for the glass tube and the copper tube were taken as 2,17W/m2K and 2,85W/m2K respectively. The overall heat transfer coefficient between the water in the tank and the ambient was taken as 5,01W/m2K, and between the water in the loop and the water in the tank was determined as 270W/m2K. Note that these coefficients are all expressed in terms of inside surface areas and for an inlet cell temperature (rather than the usual average cell temperature).
Using the above stated conditions the temperature of the water in the tank and the velocity of the water in the loop was plotted as a function of time as shown in figure 6 and 7 respectively. These two figures are presented to compare the numerical solution with the experimental results. In figure 6 it can be seen that the tank temperature corresponds closely with the numerical solution. For instance, for the 14,14 W power input transient the difference between the measured maximum tank temperature and the initial temperature is 25,7°C. This is some 12% higher than the numerically predicted temperature difference of 22,7°C. For the 44,1 W transient this difference is somewhat less at 8%.


In figure 7 it is seen that the theoretical velocity shows a steep initial acceleration to a velocity of some 13mm/s, before settling down to a relatively steady velocity of about 7 mm/s after about 20 minutes. This steady value of 7 mm/s is somewhat (16%) greater than the experimentally determined value of 6 mm/s. Although better correspondence between the numerical and the experimental values might have been expected, at least the numerical calculation procedure is stable, and can thus be used with relative confidence in simulating transient behaviour.
In order to ascertain the relative effect of the many variables involved in the solution of this sort of problem a sensitivity analysis was done. Each of the parameters was varied from a base case value by 10% and the tank temperature after 10 minutes was calculated. The difference between this value and the base case tank temperature after 10 minutes is given in table 1 where it can be seen that the greatest difference is attributable to errors in the input power.

Simulated transient behaviour
Figure 8 illustrates the case where the loop is supplied with a constant power input and which is maintained for 600 seconds before being switched off. Constant powers of 10W, 40W and 100W are illustrated. For the 10W case the loop velocity decays gradually down to zero after the power is switched off. At 40W and a velocity of 8 mm/s at switch-off the velocity decays quickly but after 1000 seconds had recovered to 7 mm/s again decayed and after 20 000 seconds again increased, this time to 6 mm/s, but for the last time before decaying rather rapidly down to zero. The larger power of 100 W results in a velocity of 13 mm/s at switch-off. The velocity in this case is so great that a flow reversal occurs, repeats itself again after 1 500 seconds and by 2 500s the velocity for this case has also decayed to zero.

The transient liquid temperatures in the heater section of the loop are given in figure 9, for the constant 40W power input for 600s case. Figure 10 gives the transient temperatures in the "tube-in-tank" section of the loop.


The start-up transient temperatures along the loop are given in figure 11. This was for a constant power input of 14,46W. During the first 5 minutes the highly non-linear nature of the temperatures of the liquid in the loop is illustrated until after 10 minutes the temperatures are linear along the loop, albeit increasing steadily with respect to time.

Conclusions
A number of simplifying assumptions have been made at arriving at the mathematical model and a relatively simple explicit numerical method has been used to simultaneously solve the highly non-linear partial differential equations. Not withstanding the many simplifications and relatively simple solution technique the tank temperature was predicted to within 5% of the experimentally measured values for the particular loop and condition being studied.
The effect of the wall heat capacity was taken into account by reducing the input power. The effect of this assumption, especially for the relatively short duration transients during the start-up of the loop, should be assessed. This would however require a more complex mathematical model. Another possible shortcoming of the present model is that axial heat conduction in the wall has not been taken into account. It is recommended that more work be undertaken in the future to ascertain the effect of wall heat capacity and axial conduction.
References
1. Grief, R., Zvirin Y., and Mertol Α., "The transient and stability behaviour of a natural convection loop", J. Heat Transfer, Vol. 101, Nov. 1979. pp. 684-688. [ Links ]
2. Gordon, M., Ramos, E. and Sen, M., "A one-dimensional model of a thermosyphon with known wall temperature", Heat and Fluid Flow, Vol. 8, No. 3, Sept. 1987, pp. 177-181. [ Links ]
3. Salazar, O., Sen, M. and Ramos, E., "Flow in natural circulation loops", J. Thermophysics, Vol. 2, No. 2, April 1988, pp. 180-183. [ Links ]
4. Sen, M., Pruzan, D. A. and Torrance, Κ. E., "Analytical and experimental study of steady-state convection in a double-loop thermosyphon", Int. J. Heat Mass Transfer, Vol. 31, No. 4, 1988, pp. 709-722. [ Links ]
5. Chatto, J. C, "Natural convection flows in parallel-channel systems", J. Heat Transfer, Nov. 1963, pp. 339-345.
6. Huang, B. J. and Zelaya, R., "Heat transfer behaviour of a thermosyphon loop", J. Heat Transfer, Vol. 110, May 1988, pp. 487-493. [ Links ]
7. Halliman, K. P. and Viskanta, R., "Dynamics of a natural circulation loop: analysis and experiments", Heat Transfer Eng., Vol. 7, No. 3-4, 1986, pp. 43-52. [ Links ]
8. Vijayan, P. K., Metha, S. K. and Date A. W., "On the steady-state performance of natural circulation loops", Int. J. Heat Mass Transfer, Vol. 34, No. 9, 1991, pp. 2219-2230. [ Links ]
9. Greif, R., "Natural circulation loops", J. Heat Transfer, Vol. 110,1988, pp. 1243-1258. [ Links ]
10. Beckwith, T. G. and Marangoni, R. D., "Mechanical Measurements", Addison-Wesley, Reading, 1990.
First received July 1992
Final Version October 1992












volumetric flow rate.