SciELO - Scientific Electronic Library Online

 
vol.7Improving the performance of biogas fuelled SI engines for rural useBoiling viscous liquids in natural circulation vacuum evaporators author indexsubject indexarticles search
Home Pagealphabetic serial listing  

Services on Demand

Journal

Article

Indicators

    Related links

    • On index processCited by Google
    • On index processSimilars in Google

    Share


    R&D Journal

    On-line version ISSN 2309-8988Print version ISSN 0257-9669

    R&D j. (Matieland, Online) vol.7  Stellenbosch, Cape Town  1991

     

    The experimental optimization of an annular dump diffuser

     

     

    K. L. LewisI; T. W. von BackströmII

    IBureau for Mechanical Engineering, University of Stellenbosch
    IIDepartment of Mechanical Engineering, University of Stellenbosch

     

     


    ABSTRACT

    Dump diffuser performance is influenced by dump gap, flow split and prediffuser geometry. Maximum static pressure recovery is normally obtained at a flow split different from the ratio of the outer to inner annulus area. To ensure that the optimal flow split occurs at the design value the prediffuser can be canted so as to bias the flow towards one of the annuli. An extensive experimental program was undertaken to define the optimum prediffuser geometry for a predefined diffuser/combustor combination with a fully developed turbulent profile at inlet. Variables included dump gap and prediffuser cant angle, area ratio and length. A 3% improvement in diffuser effectiveness and a 5% reduction in loss was obtained by canting the prediffuser such that the optimal flow split coincided with the design value. A symmetrical distribution around the combustor dome was obtained at this condition. It was found that the prediffuser area ratio could be reduced to below the overall area ratio without significantly affecting the overall performance. Skewing the velocity profile towards the inner and outer walls affected the overall performance of the diffuser configurations but did not change the optimum prediffuser geometry. Decreasing the prediffuser length to below that indicated by the Cp* line but retaining the same mean cant angle and area ratio influenced the overall performance detrimentally; skewing the inlet profile tended to exacerbate this further.


     

     

    Nomenclature

    A cross sectional area [m2]

    B blocked area fraction

    Cp pressure recovery coefficient

    Cp* optimum pressure recovery coefficient

    D dump gap [m]

    h annulus height [m]

    L prediffuser length [m]

    m mass flow rate [kg/s]

    p static pressure [Pa]

    p total pressure [Pa]

    q dynamic pressure [Pa]

    R radius [m]

    S flow split

    u local axial velocity [m/s]

    u' fluctuating component of axial velocity

    U mass derived mean velocity [m/s]

    W width of flame tube [m]

    y perpendicular distance from wall [m]

    a velocity profile energy coefficient

    A difference

    Xloss coefficient

    φfluid density [kg/m3]

    ø diffuser wall angle [°]

    Subscripts

    1 prediffuser inlet

    2 prediffuser exit

    4 annulus station after settling length

    i inner annulus

    m maximum

    o outer annulus

    s dividing streamline

     

    Introduction

    Gas turbine engines need diffusers to slow down the air between the high pressure compressor and the flame tube. The diffuser designer has to produce in the shortest possible length the highest possible static pressure recovery with a pressure distribution that is uniform around the combustor dome so as to minimise pressure losses and enhance combustion stability. In addition the diffuser system must be dynamically stable such that a perturbation in combustor operation does not cause the diffuser to stall.

    The dump diffuser is a system that allows such compromises: it is short and simple (figures 1 and 2), dynamically stable and provides performance levels that can approach those of faired diffusers. Fishenden and Stevens [1] found that most of the pressure recovery obtained in a dump diffuser configuration occurs in the prediffuser, and most of the total pressure loss in the dump region downstream of the prediffuser exit and around the flame tube. They noted that a symmetrical pressure distribution around the flame tube dome not only indicates the flow split at which minimum total pressure loss occurs but it also minimises the possibility of flow reversal through cooling holes located on the dome. In addition the axial location of the flame tube was seen to have a marked effect on the performance and stability of flow in the prediffuser. This was confirmed by Wagner, Tanrikut and Sokolowski [2]. A conclusion of both these studies was therefor that the geometry of the prediffuser, flame tube and surrounding annuli need to be carefully matched to obtain optimum performance. Fishenden and Stevens also showed that the maximum pressure recovery was obtained at flow splits significantly different to the design flow split based on inner and outer annulus area ratio. To ensure that the optimum flow split occurs at the design value it was suggested that either the design split be changed by adjusting the flow areas around the flame tube, which invokes a constraint on the combustor designer, or the prediffuser be canted so as to bias the flow towards one of the annuli.

     

     

     

     

    A series of tests was conducted on a range of dump diffusers to establish the influence of geometric and flow variables, notably the effect of flow split, dump gap, inlet velocity profile and prediffuser cantangle, area ratio and length. Parameters that were fixed were overall area ratio and flame tube geometry and radial location. The flame tube was simulated by an annular plug with no air passing through it at either the dome head or along the settling length. The objective of the study was to provide a limited data base which could be used to establish diffuser geometries, the geometries being optimized further by either computational or experimental means to account for the additional variables not addressed by this study.

     

    Test facility

    The test facility was based on that of Fishenden and Stevens [1]; although the facility is not identical to [1] the overall geometry in non-dimensional terms was made the same because it would be beneficial to use the existing data from [1] for symmetrical annular dump diffusers as a starting point, and to extend from this basis. Secondly, a similar diffuser configuration was required for a prototype engine [3]. The facility is shown in figure 1. It is a "blown" low Mach number system whereby air is supplied to the plenum chamber from a centrifugal fan. Suitable grids are positioned at exit from the fan to ensure a non-pulsating flow and suitable turbulence structure. The air enters the plenum chamber from the fan and exits through the annular duct intake which has a contraction ratio of 5:1. A section of honeycomb straightener and wire mesh is located at entry to the duct to remove any residual swirl or velocity non-uniformity. The annular duct has a height of 48 annulus widths with trip wires positioned at the calculated point of transition. Care was taken to ensure that at exit from the annular duct, flow unsteadiness and asymmetry were less than 3% of the respective mean values.

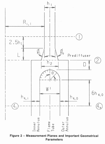
    The air enters the prediffuser which consists of two annular rings that comprise the inner and outer walls of the diffusing passage. These rings can easily be removed and replaced so that the prediffuser geometry can be modified. At exit from the prediffuser the air is dumped into the dump region and is then split between the inner and outer annuli around the flame tube. All the flow exits from these annuli into the atmosphere with no air passing through the simulated flame tube. The system resistance and overall flow split is controlled by the relative positioning of the throttle rings. The axial separation distance between the exit of the prediffuser and the dome head is modified by the movement of the flame tube itself which is mounted on a threaded boss. Figure 2 shows the geometry of the diffuser/simulated combustor combination. Table 1 contains the fixed geometric dimensions of the diffuser configuration.

     

     

    Total pressure rakes are positioned at entry to the prediffuser (position I, figure 2) and downstream of the settling length in the inner and outer annuli (positions 4i and 4o respectively). At each plane three rakes are arranged symmetrically with the rakes being manifolded together to give circumferential averages. Each rake has 6 measuring stations with wall static pressure ports being located in the same axial plane as the rake tube entry plane. These ports are circumferentially offset such that no stagnation flow effects are experienced. Additional wall tappings are located on the flame tube dome. Their positions are donated by the angle 6 from the dome head.

    Static temperature measurements are performed by a thermocouple positioned upstream of the prediffuser inlet. All pressures are measured by a single Foxboro 823 differential pressure transducer with the 40 pressures from the rakes and wall tappings being sequentially switched to the transducer by a Furness Controls selector box interfaced to a microcomputer. Data acquisition and storage is performed by the microcomputer.

    At each measuring plane circumferentially averaged velocity profiles are available by assuming that the static pressure across the respective channels is the same as that measured at the wall. With the inlet temperature known, the performance parameters of the diffuser system as well as the mass flow split can be determined.

     

    Performance parameters

    Diffuser performance can be represented by two coefficients: static pressure recovery and total pressure loss. These are defined for the diffuser configuration which includes the prediffuser, the dump region and settling length as

    Pressure recovery coefficient expresses the overall quality of the diffuser performance as it quantifies the conversion of the mass averaged inlet dynamic pressure to static pressure, this being the real function of a diffuser. The parameter allows the direct comparison of any two diffusers excepting for compressibility effects at higher Mach numbers.

    The loss coefficient parameter is useful if the overall impact of diffuser performance on engine cycle operation is of interest. It should always be quoted with a pressure recovery as otherwise a diffuser that does not diffuse would appear to be a good system [2]. The two parameters are however not independent of each other as shown below.

     

    Prediffuser geometries

    Table 2 contains a list of the geometries tested. All configurations were very close to the Cp* line of Sovran and Klomp [6] except for the 4/10,5 combination. (The Cp* line is the locus of points of maximum pressure recovery for a certain non-dimensional diffuser length). The 4/10,5 combination was chosen so as to determine whether a prediffuser that was shorter than that suggested by the Cp* line would give adequate performance of the overall diffuser configuration by close coupling the flame tube dome to the prediffuser exit.

     

     

    Inlet velocity profiles

    Three inlet velocity profiles were used during the experimental test program. The profile that was used for the bulk of the testing was the fully developed turbulent annular profile with a kinetic energy flux velocity profile parameter a = 1,03. This differs from the measured value of a = 1,06 mentioned in [1]. By calculating a assuming symmetrical power law or logarithmic law of the wall velocity profiles, it can be shown that the value measured in the present study is acceptable (Appendix 1).

    The other two profiles were generated by the fitting of meshes on the inner and outer walls of the annular duct upstream of the prediffuser inlet. The respective profiles are shown in figure 3 together with their a values and corresponding blockage factors, B. The two skewed profiles are seen to have shapes that are similar to those typically found in gas turbines. Turbulence profiles expressed as the root mean square of the fluctuating axial component are shown for all three velocity profiles in figure 4. These measurements were taken at the end of the annulus, with the diffusers removed.

     

     

     

     

    Results and discussion

    Verification

    All tests were performed within the Reynolds number range 2,0 - 2,4 x 105 based on annulus hydraulic diameter, and Mach number range, 0,18-0,22 at inlet to the prediffuser. The objective of the testing was to define the optimum diffuser configuration by changing the prediffuser geometry, flow split and dump gap. The optimum configuration was chosen as that with the highest pressure recovery.

    As a starting point an identical configuration to that used in Fishenden and Stevens - prediffuser 3 - was tested at a constant flow split of S = 1,6. This served as a form of calibration of the testbench. A comparison of the published [1] results and those measured in this study is given in figure 5. The degree of agreement is good except at extreme dump gaps. At small dump gaps the influence of effects including the radii of curvature at the prediffuser exit and errors in dump gap measurement become important. No reason could be postulated for the small discrepancy at larger dump daps where the diffuser performance is seen to be very insensitive to dump gap.

     

     

    Additional tests were performed with the baseline 6/6 prediffuser configuration, by varying the flow split at three dump gaps (figure 6). Similar data were not published in [1] for this particular configuration, but the trends are similar to those obtained for their other prediffuser geometries: pressure recovery peaks at a flow split not necessarily equal to the design value, with the loss coefficient becoming insensitive at the larger dump gaps. Velocity profiles at exit from the prediffuser were also measured and it was found that at the optimum flow split the velocity profile was symmetrical confirming the findings of [1]. The variation of the dome wall static pressures is also in qualitative agreement with [1] with the pressure distribution being approximately symmetrical at the optimum flow split.

     

     

    Optimum Cant Angle

    Similar tests were performed using the other prediffuser combinations listed in table 2. The objective was to find the configuration which had its peak recovery at the design flow split of 2,15. The results obtained are shown in figure 7 where the degree of canting is represented by the mean diffuser angle. This variable is equal to zero for a symmetrical prediffuser. The maximum Cp for all the configurations was obtained at a dump gap of D/h2 = 1,0 although the pressure recoveries were only marginally better than those for the larger dump gaphD/h2 = 1,7. This tends to indicate that the flow in the prediffuser/dump region is only marginally improved in terms of overall performance by the close coupling of the combustor dome to the diffuser exit.

     

     

    The operation of a dump diffuser at a flow split that differs from the split that results in a symmetrical prediffuser exit profile, can result in deleterious unsteady flows. Reference [1] showed that the stability margin of a prediffuser is very dependent on flow split: if the flow split is such that it results in a nonsymmetrical profile at exit, it means that one of the diffuser walls is closer to separation. This is exacerbated as the flow split is either increased or decreased away from the optimum value which coincides with that of peak recovery. This whole phenomenon is compounded if a highly loaded prediffuser is used. Even conservative diffusers, with diffuser lengths below that indicated by the Cp* line, can stall on either wall at inappropriate choices of flow split and dump gap. In this context a dump gap can also be too small as the close proximity of the dome can amplify the distortion caused by a non-optimal flow split that will propagate up the prediffuser. This explains the high turning losses indicated at D/h2 = 0,5.

    An approximately symmetrical pressure distribution about the flame tube dome was always obtained close to the optimum flow split. This is potentially of interest to the diffuser/combustor designer as it gives guidance in the optimization of a configuration by either the numerical computation of the static pressure flow field around the combustor dome or by the physical instrumentation of the combustor dome. This can also be said about the prediffuser exit velocity profile.

    Figure 8 summarizes the data of figure 7 by showing the influence of mean diffuser angle on peak pressure recovery for each diffuser configuration for the three dump gaps. It can be seen that the maximum pressure recovery occurs at a mean diffuser angle of 3,5 degrees at a flow split very close to the design value. This indicates that the 9/2 combination is the best configuration. It is seen therefore that by canting the diffuser the optimum flow split can be made to coincide with that of the design ratio and that a small but significant gain in diffuser performance can be obtained by this appropriate matching.

     

     

    The dome pressure distribution and prediffuser exit velocity profile obtained for the 9/2 combination at peak recovery (D/h2 = 1,0 and S = 2,15) are both more or less symmetrical as seen in figure 9. There is less likelihood of experiencing separation or transitory stall in the prediffuser if the flow split is such that a symmetrical velocity profile is obtained at exit from the prediffuser; this fortunately coincides with the value necessary for peak pressure recovery.

     

     

    Diffuser Stability

    No aerodynamic instability as reported by Ehrich [4] was experienced in the testing of any of these diffusers. To understand this, it is necessary to look at the pressure recoveries of the individual streamtubes supplying the inner and outer annuli. By determining the position of the dividing streamline at the prediffuser inlet the following pressure recovery coefficients were defined for the two flowfields

    where the position Rs of the dividing streamline is given by

    The variation of pressure recovery with flow split is shown in figure 10 for the 2/9 configuration at a dump gap of D/h2 = 1,0. By observing the slopes of the pressure recovery data as functions of flow rate in the particular annulus it can be seen that the slopes are both strongly negative for the inner and outer flow fields (except when the flow is extremely low in the outer streamtube). This is the necessary condition as stated by Alford [5] for flow stability with the diffuser characteristic displaying a damping action.

     

     

    Diffuser Length and Area Ratio

    As the most compact diffuser configuration is normally required, the influence of prediffuser area ratio was investigated by fixing the inner and outer wall angles and varying the length. Since most of the published work has been done using the 6/6 combination it was decided to revert back to this and continue with the same wall angles. The effect of two parameters is being evaluated by this approach but it was assumed that the influence of the area change would be qualitatively observed, as pressure recovery is primarily dependent on area ratio. Alternatively it could be reasoned that by increasing the length of a prediffuser the total pressure loss is increased but this would be negligible compared to the losses generated by the dumping action downstream of the prediffuser.

    The results in figure 11 show that at the larger dump gaps the response is relatively flat. This behaviour is contrary to what one would assume if the work of Sovran and Klomp [6] is considered where an increase in area ratio resulted in improved pressure recovery. Although it is recognized that most of the pressure recovery in a dump diffuser is achieved in the prediffuser it appears some recovery is obtained in the dump region or settling length. Some form of compensating mechanism is apparent and is probably linked to the overall area ratio that is kept constant at a value of 2,0. Due to the close coupling of the prediffuser and simulated combustor dome at small dump gaps, increased losses are observed especially at the lower area ratios.

    It was desired to evaluate the effect of prediffuser length and included angle but with a constant area ratio of 1,8 and a mean diffuser angle of close to the optimum value of 3,5. This was of interest as the most compact prediffuser was required. To this end an additional diffuser combination was tested with an inner/outer wall combination of 4/10,5 at the three previous dump gaps. The results are shown in figure 12. It was thought that with the larger included angle an increased coupling be-

     

     

    tween the dome and prediffuser would be necessary to obtain peak performance and additional tests were performed at smaller dump gaps. It can be seen that the 2/9 configuration is superior in terms of peak pressure recovery as well as having a flatter response with variation of flow split around the optimum value.

    Optimum Diffuser

    Taking into account all the parameters varied and the geometries tested it was concluded that the optimum pre-diffuser geometry was the 2/9 combination with an area ratio of 1.8 and an optimum flow split equal to that of the design value S = 2,15. If the overall area ratio is considered, the diffuser effectiveness of this optimal geometry and flow split is 75,7%. Comparing this to the 6/6 configuration an increase in effectiveness of 3% is observed. Concomitant with this is a reduction in loss of 5%. This is obviously particular to the inlet velocity profile and to the overall geometry of the diffuser/combustor combination, which was fixed in this study.

    Skewing the Inlet Velocity Profile

    The question arose as to what effect a skewed, velocity profile would have on the optimum. Two sets of complete tests were repeated with the diffuser geometries of table 2 using the other two profiles generated by the mesh installation. The results are shown in figure 13. It is seen that a distorted inlet velocity profile affects the performance of the diffuser detrimentally with the effect being larger with inboard skewing. This is what one would expect as indicated by the value of the design flow split. The optimum geometry however does not change, with the 2/9 configuration still providing the best performance as shown in figure 14 at a flow split close to the design value. This means that the optimum geometry can be determined using a single inlet velocity profile with the knowledge that this geometry will be close to optimum for any inlet profile. In this manner the dump diffuser performs as an aerodynamic flow conditioner with the appropriate dump gap, redistributing mass flow and momentum. The velocity profiles at exit from the prediffuser at the design flow split of S = 2,15 for the 2/9 configuration are shown in figure 9 with the accompanying combustor dome pressure distribution. This shows the importance of the coupling of the flame tube to the prediffuser and the accompanying flow conditioning. Figure 15 shows that the diffuser with the larger divergence angle is much more sensitive to skewing of the velocity profile.

     

     

     

     

     

     

    Conclusions

    A series of prediffuser configurations was tested to establish the influence of flow split, dump gap, inlet velocity profile and prediffuser geometry on the overall performance of an annular dump diffuser. By offsetting the diffuser an improved pressure recovery was obtained at a flow split equal to the design area ratio of the inner to outer annulus. This resulted in a 3% improvement in diffuser effectiveness and a reduction of 5% in pressure loss.

    The optimum geometry did not change with variation of inlet velocity profile but there was an absolute reduction of pressure recovery if the inlet flow was skewed towards either wall of the prediffuser. The degree of flow asymmetry at exit from the diffuser was reduced at the optimum flow split therefore allowing a more balanced diffuser loading.

    The influence of prediffuser area ratio was seen to be limited if the ratio is close to the overall area ratio. Increasing the diffuser included angle, thereby reducing the diffuser length below the Cp* value, resulted in reduced pressure recovery and greater sensitivity to inlet velocity profile distortion.

    The importance of the correct matching of the prediffuser geometry to the combustor geometry and aerodynamic characteristics is emphasized as this leads to improvements in pressure recovery, stability of the flow and a compact diffuser.

     

    Acknowledgements

    The authors are grateful to the Atlas Aircraft Corporation for their financial support and to Mr. J. Steyn, who was responsible for the acquisition of the experimental data, and testbench management.

     

    References

    1. Fishenden, C. R. and Stevens S. J., "The performance of annular combustor-dump diffusers", Journal of Aircraft, Vol 10, No 1, 1977, pp 60-67.         [ Links ]

    2. Wagner, W. B., Tanrikut, S. and Sokolowski, D. E., "The performance of annular prediffuser-combustor systems", ASME paper 80-GT-15, 1980.

    3. Von Backström, T. W., "Expendable turbojet compressor design, test and development" AIAA Eighth International Symposium on Air Breathing Engines, pp 331-338, Paper No 87-7039, Cincinnati, Ohio, June 1987.

    4. Ehrich, F. F., "Aerodynamic stability of branched diffusers", ASME paper 70-GT-27, 1970.

    5. Alford, J. S. "Protecting Turbomachinery from Unstable and Oscillatory Flows", ASME paper 66-WA/GT-13, 1966.

    6. Sovran, G. and Klomp, E. D. "Experimentally determined optimum geometries for rectilinear diffusers with rectangular, conical or annular cross-section" Fluid Mechanics of Internal Flow, Sovran, G., (Editor), Elsevier, New York, 1967, pp 462-474.

     

     

    Received October 1990

     

     

    Appendix A

    The Kinetic Energy Coefficient

    According to Brighton and Jones [1] the maximum velocity in an annulus occurs at the radius Rmax given by:

    where Rout is the other radius and k = Rin/Rout, with Rin the inner radius.

    For the present geometry k = 0,8478 and Rmax = 0,9217 Rou,

    The arithmetic mean of the inner and outer radius is:

    Since the difference between Rm and Rmax is less than 1,5% of the annular gap we assume that the maximum velocity occurs at Rm. The kinetic energy coefficient may then be calcuated by assuming symmetrical power law or logarithmic law profiles.

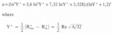
    Under these assumptions, for the power law where

    According to [2] n varies with Reynolds number Re as in the table at the end of this appendix.

    The logarithmic law in terms of the dimensionless velocity u+ and distance from the wall y+ is:

    By integrating a profile consisting of two logarithmic profiles extending from each wall to the centre of the annular gap, it can be shown that:

    The friction factor A is determined from:

    The following table for the variation of a a with Reynolds number may then be compiled

     

    At a typical test Reynolds number of 2,4.105 the two aproaches above would predict the following:

     

    References to Appendix

    1. Brighton, J. A. and Jones, J. B. "Fully Developed Flow in Annuli", Journal of Basic Engineering, Dec. 1964.

    2. Schlichting, H. "Boundary Layer Theory", McGraw-Hill, 7th Edition 1979.